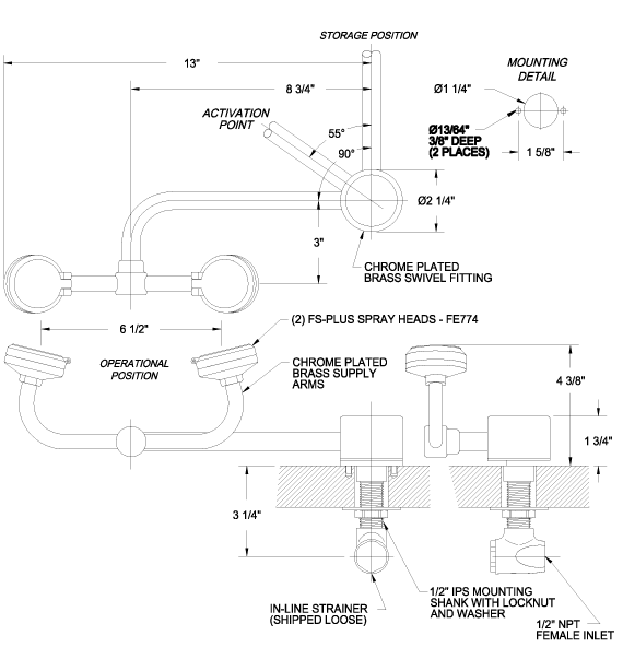
FE774 – Eye/Face Wash Deck mounted 90deg Auto Flow Swivel style
FE774
Eye/Face Wash Deck mounted w/ two gentle spray outlet heads, stay-open ball valve, and 90o swivel feature
Download AutoCad Drawing and PDF
FE774.zip 371.56 Kb
Notes:
Each gentle spray outlet head has a removable delrin spray cover, reticulated polyurethane filter, self-regulating flow control, and float-off dust cover.
Measurements may vary +/- 1/4″

